info@mehprivod.ru
ООО Мехтехника
Тел.: 8 (800) 505-36-88

Червячные мотор-редукторы одноступенчатые МЧ100, МЧ125, МЧ160

Червячные мотор-редукторы одноступенчатые МЧ100, МЧ125, МЧ160

Червячные мотор-редукторы МЧ-100, МЧ-125, МЧ-160 предназначены для работы в качестве приводов общемашиностроительного применения. Ряд мотор-редукторов МЧ обеспечивает крутящие моменты на тихоходном валу 85—2000 Н-м в диапазоне передаточных чисел 8—80. Мотор-редукторы допускают кратковременные перегрузки, в 2 раза превышающие номинальные и возникающие во время пусков и остановок двигателя. Корпус редуктора типа Ч имеет оребрения, улучшающие теплоотвод. Геометрические параметры зацепления цилиндрической червячной пары с эвольвентным червяком приняты по ГОСТ 2144—76. Мотор-редукторы могут работать при шести различных расположениях червячной пары в пространстве. В зависимости от взаимного расположения выходных концов валов редукторы изготовляются по вариантам сборки 51, 52, 53 и 56 в соответствии с ГОСТ 20373—74. В зависимости от варианта сборки редуктора тихоходный вал может быть одноконцевым, двухконцевым или полым.

Цена: от 15 500 руб.

Базовые условия использования мотор-редукторов:

  • Тип нагрузки: постоянная/переменная (в рамках номинального крутящего момента)
  • Особенности вращения вала: в обе стороны
  • Климатические варианты исполнения: У3, Т2 (ГОСТ 15150-69) работа на высоте над уровнем моря не более 1000м, допускается эксплуатация также на высоте более 1000м над уровнем моря при условии соблюдения ГОСТ 183-74;
  • Характеристики внешней среды: неагрессивная, невзрывоопасная, непроводящая пыль не более 10 мг/м³.

Общее описание:

Габаритные и присоединительные размеры МЧ100, МЧ125 - МЧ160

Рис.1 Габаритные и присоединительные размеры МЧ100, МЧ125, МЧ160

Рис.1 Габаритные и присоединительные размеры МЧ100, МЧ125 - МЧ160

Рис.1Б Габаритные и присоединительные размеры МЧ100, МЧ125, МЧ160


<

ТИПОРАЗМЕР

H2

H3

H4

L1

L2

В1

В2

В3

В4

d

МЧ-100

312

100

100

240

200

140

175

357

225

19

МЧ-125

396

111

125

275

230

190

230

390

230

19

МЧ-160

465

140

160

350

300

230

280

441

280

22

ТАБЛ.1А Габаритные и присоединительные размеры


<

ТИПОРАЗМЕР

                     L3

                     H1

эл./дв.

АИР90

АИР100

АИР112

АИР132

АИР90

АИР100

АИР112

АИР132

МЧ-100

585

600

   -

    -

337

337

    -

   -

МЧ-125

665

680

750

    -

410

410

435

   -

МЧ-160

  -

760

805

835

   -

465

475

500

ТАБЛ.1Б Габаритные и присоединительные размеры

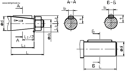
Исполнения выходного вала МЧ100, МЧ125 - МЧ160

Рис. 2А Исполнения выходного вала

Исполнения выходного вала МЧ100-160

Рис.2Б Исполнения выходного вала

ТИП

ВЫХДНЫЕ КОНЦЫ ВАЛОВ

L

L1

L2

L3

b

d

d1

t

m

МЧ-100

Конический

110

82

32

25

12

45

М30х2- 8g

23,45

-

МЧ-125

110

82

38

30

14

55

М36х3 -8g

28,95

-

1МЧ-160

140

105

50

40

18

70

М48х3- 8g

36,38

-

МЧ-100

Цилиндрический

110

-

-

-

14

45

-

48,5

-

МЧ-125

110

-

-

-

16

55

-

59

-

1МЧ-160

140

-

-

-

20

70

-

74,5

-

МЧ-100

Вал полый шлицевой

205

90

57,5

-

-

45

46

-

2

МЧ-125

230

110

60

-

-

55

60

-

2,5

МЧ-160

275

130

72,5

-

-

70

72

-

2,5

ТАБЛ.2 Исполнения выходного вала

Варианты сборки мотор-редуктора МЧ100, МЧ125 - МЧ160

Рис.3 Варианты сборки мотор-редуктора

ТЕХНИЧЕСКИЕ ХАРАКТЕРИСТИКИ МОТОР-РЕДУКТОРА

Номинальная частота вращения выходного вала об/мин

Допускаемая радиальная консольная нагрузка, приложенная к середине посадочной части конца выходного вала, Н

Номинальный крутящий момент на выходном валу
Н х м

КПД, % в непрерывном режиме с ПВ 100%, не менее

Типоразмер двигателя серии АИР

Мощность двигателя, кВт

Корректи-рованный уровень звуковой мощности, дБА, не более

Масса мотор-редуктора кГ, не более

Мотор-редуктор МЧ-100

180

5500

270

93

112М4

5,5

80

100

140

350

93

112М4

5,5

100

112

430

92

112М4

5,5

100

90

380

89

100L4

4,0

90

71

350

87

100S4

3,0

84

56

440

87

100S4

3,0

84

45

445

70

100S4

3,0

84

35,5

460

78

90L4

2,2

77

28

580

77

90L4

2,2

77

22,4

472

69

90L6

1,5

77

18

580

69

90L6

1,5

77

14

625

61

90L6

1,5

77

11,4

401

58

90LА8

0,75

77

8,2

506

58

90LА8

0,75

77

Мотор-редуктор МЧ-125

180

8000

270

93

112М4

5,5

80

131

140

350

93

112М4

5,5

131

112

430

92

112М4

5,5

131

90

520

89

112М4

5,5

131

71

650

88

112М4

5,5

131

56

595

87

100L4

4,0

121

45

690

81

100L4

4,0

121

35,5

640

79

100S4

3,0

115

28

580

77

90L4

2,2

108

22,4

715

76

90L4

2,2

108

18

805

69

90L4

2,2

108

14

695

71

90L6

1,5

108

11,4

766

68

90L6

1,5

108

8,2

760

60

90LВ8

1,1

108

Мотор-редуктор МЧ-160

180

11000

550

94

132М4

11,0

80

204

140

700

93

132М4

11,0

204

112

870

93

132М4

11,0

204

90

1060

91

132М4

11,0

204

71

1300

88

132М4

11,0

204

56

1630

87

132М4

11,0

204

45

1935

83

132М4

11,0

204

35,5

1615

79

132S4

7,5

204

28

1916

73

132S4

7,5

190

22,4

1663

74

112М4

5,5

163

18

2069

74

112М4

5,5

163

14

1880

70

112МВ6

4,0

163

11,4

1763

66

112МА6

3,0

160

8,2

1638

66

112МА8

2,2

160

ПРИМЕР УСЛОВНОГО ОБОЗНАЧЕНИЯ В ЗАКАЗЕ:

Мотор-редуктор МЧ–125–56–51-У3, ТУ УЗ.26-00224828-342-97 где:

МЧ – тип мотор-редуктора
125 – межосевое расстояние, мм
56 – номинальная частота вращения выходного вала, об/мин
51 – вариант сборки по ГОСТ 20373-80
У3 – климатическое исполнение и категория размещения по ГОСТ 15150-69