Тяговые пластинчатые цепи

Цепь тяговая пластинчатая относится к оборудованию, которое находит свое эффективное и рентабельное применение в различных областях промышленности. При проблеме выбора определенной модификации, всегда можно обратиться за консультацией к нашим специалистам. Используются цепи данного класса в элеваторных, конвейерных и других механизмах. В качестве дополнительного элемента на цепи может быть монтировано приспособление для фиксации ковшей, металлических или пластиковых скребков и др. Исполнение может быть как разборным, так и неразборным. Первый или второй вариант выбирается исходя из условий эксплуатации оборудования и определенных требований заказчика, выдвигаемых к цепям.
Цена: от 820 руб. за 1 п.м.
Пример условного обозначения при заказе
Цепь М112-2-100-1 ГОСТ 588 - 81, что означает:
- М - тяговая пластинчатая цепь;
- 112 - разрушающая нагрузка , кН;
- 2 - тип;
- 100 - шаг, мм;
- 1 - исполнение.
Общее описание

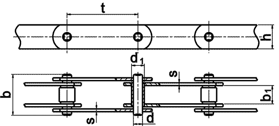
РИС. 1
Исполнение тяговых пластинчатых цепей (тип 1, исполнение 1)

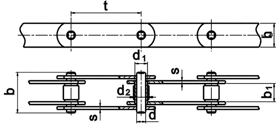
РИС. 2
Исполнение тяговых пластинчатых цепей (тип 2, исполнение 2)
|
Номер цепи |
Диаметр |
b1, |
h, |
s |
b, |
t*, |
Разрушающая |
||
|---|---|---|---|---|---|---|---|---|---|
|
d |
d1 |
d2 |
|||||||
|
М20 |
6,0 |
9,0 |
12,5 |
15 |
18 |
2,5 |
35 |
40**- 160 |
20 |
|
М28 |
7,0 |
10,0 |
15,0 |
17 |
20 |
3,0 |
40 |
50**- 200 |
28 |
|
М40 |
8,5 |
12,5 |
18,0 |
19 |
25 |
3,5 |
45 |
63 - 250 |
40 |
|
М56 |
10,0 |
15,0 |
21,0 |
23 |
30 |
4,0 |
52 |
63**- 250 |
56 |
|
М80 |
12,0 |
18,0 |
25,0 |
27 |
35 |
5,0 |
62 |
80 - 315 |
80 |
|
М112 |
15,0 |
21,0 |
30,0 |
31 |
40 |
6,0 |
73 |
80**- 400 |
112 |
|
М160 |
18,0 |
25,0 |
36,0 |
36 |
45 |
7,0 |
85 |
100** - 500 |
160 |
|
М224 |
21,0 |
30,0 |
42,0 |
42 |
56 |
8,0 |
98 |
125** - 630 |
224 |
|
М315 |
25,0 |
36,0 |
50,0 |
47 |
60 |
10,0 |
112 |
160**- 630 |
315 |
|
М450 |
30,0 |
42,0 |
60,0 |
5 |
70 |
12,0 |
135 |
200 - 800 |
450 |
|
М630 |
36,0 |
50,0 |
70,0 |
65 |
85 |
14,0 |
154 |
250 - 1000 |
630 |
|
М900 |
44,0 |
60,0 |
85,0 |
76 |
105 |
16,0 |
180 |
250**- 1000 |
900 |
|
М1250 |
50,0 |
71,0 |
100,0 |
90 |
120 |
20,0 |
230 |
315**- 1000 |
1250 |
|
М1800 |
60,0 |
85,0 |
118,0 |
110 |
150 |
22,0 |
260 |
400 - 1000 |
1800 |
* Шаг выбирается из ряда : 40 , 50 , 63 , 80 , 100 , 125 , 160 , 200 , 250 , 315 , 400 , 500 , 630 , 800 , 1000 мм .
** Применение шагов , отмеченных ** для катковых цепей не допускается.